Home -> Magazines -> Issues -> Articles in this issue -> View
Dual Voltage-Controlled LFO | |
Article from Electronics & Music Maker, September 1984 | |
A versatile modular low frequency oscillator project, with complete kits available from Digisound.
An easy-to-build - yet exceptionally versatile - dual VCLFO has recently been introduced in kit form by Digisound Limited as part of their modular synth system.

This article describes a dual voltage-controlled low frequency oscillator providing a wide range of features not normally available from conventional designs. These include a frequency range in excess of 50,000:1, and typically this is greater than 150Hz down to less than one cycle every 10 minutes. The frequency of each VCLFO is adjusted using coarse and fine potentiometer controls and it may also be swept by an external control voltage. Three output waveforms are provided; triangle, sawtooth and pulse, with the latter being adjustable from almost 0 to 100% duty cycle. The output waveforms are nominally 0 to +10V at full gain, but each oscillator has a voltage-controlled amplifier in its output path to control the gain, either manually or with an external control voltage.
The design utilises a CEM 3374 Dual Voltage Controlled Oscillator and a CEM 3360 Dual Voltage Controlled Amplifier, both from Curtis Electromusic Specialities Inc. The CEM 3374 allows two modes of synchronisation. On one side, a positive edge causes the oscillator to reset and start from zero, which is valuable for a wide range of sweeping and synchronisation effects, while on side two, a positive edge causes the waveform to reverse direction, and can therefore be used to provide more complex modulating waveforms.

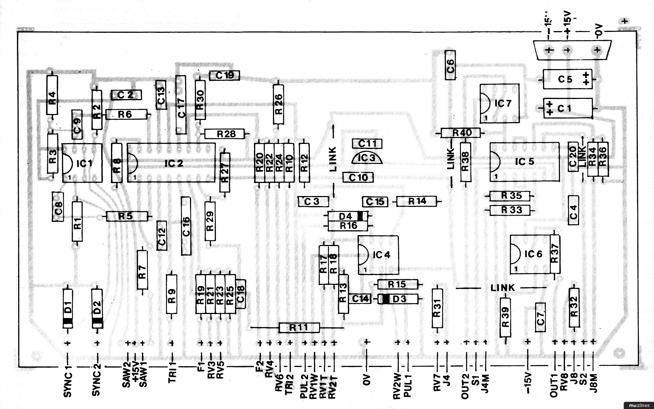
The complete circuit diagram for the Dual VCLFO is shown in Figure 1. Apart from synchronisation, both the oscillators are identical, so our discussion will be confined to VCLFO 1, derived from pins 1 to 9 of the CEM 3374 (IC2).
The 3374 contains two completely independent precision voltage-controlled oscillators. Each has an exponential control input (pins 7, 12) as well as a linear control input at pins 8 and 11. Triangle (pins 5 and 14) and sawtooth (pins 2 and 17) waveforms are simultaneously available on the chip, and the timing capacitors are connected to pins 6 and 13. In order to provide all these features on a single IC, the temperature-compensating circuitry incorporated into the CEM 3340 VCO has been omitted. The CEM 3374 does, however, contain a temperature sensor, which outputs (from pin 10) a nominal 2V5, having a temperature coefficient of +3300 parts per million per degree Centigrade. This output voltage is commonly required as a reference voltage for many digital-to-analogue converters, so using it as the reference and deriving the exponential control voltage from the same DAC results in excellent oscillator stability.
The synchronisation input at pin 3 allows the output to reset to zero while the sync at pin 16 causes the waveform to reverse direction. The CEM 3374 operates with a positive supply in the range of +10V to +16V and a negative supply between —4V5 and -7V. To comply with these requirements, a -5V supply to pin 1 is derived from the -15V supply, using the regulator IC3.
Turning now to the main circuit, IC1 is used for the external sync inputs, which respond to a positive-going pulse from about +1V5 to + 15V. The inputs are arranged so that synchronisation occurs on the positive edge of the pulse. C8/R5 (C9/R6) differentiate the output from IC1 and also provide current limiting to the sync input pins on IC2.
The exponential frequency control input at pin 7 has three inputs: an external control voltage with a nominal one-volt-per-octave scale via R19, a coarse control using RV3 and R21, and a fine adjustment using RV5 and R23. The input's polarity is such that a positive input increases frequency.
Two general points are worth noting at this stage. First, 5% tolerance resistors have been used throughout, and so accurate scaling is not available and there is likely to be some variation between two separate VCLFOs. Accurate components were not considered worthwhile in the absence of temperature compensation and in the context of most typical LFO-type applications. Secondly, the minimum specification for frequency sweep on the CEM 3374 is 50,000:1, and the design utilises this range (and more, if available) to the full. The result of the latter is that if both rotary controls are set fully clockwise (highest frequency) and a voltage is applied to the external control input, the output frequency is likely to increase, but this may be a long way from the expected one-volt-per-octave. Thus the external input should be kept within the designed frequency range of between 150Hz and 1 cycle per 10 minutes.
The timing capacitor C16 (C17) in the standard design is a 100nF polycarbonate, and changing this component will alter the frequency range. A lower frequency limit (higher capacitor value) is not recommended since the total range may be reduced as a result.
The linear input (pin 8) is used to inject a reference current into the IC via R27, and for this low frequency application the current is kept at a very low level. For a typical VCO application, R27 would be 3M0 and C16 would be 1n0. Components R29, C12 and C18 are for compensation purposes.
Waveform outputs for the VCLFOs are selected by means of a switch - S1 for VCLFO 1 - and a current limiting resistor is selected in relation to the output level of the waveform. The 0 to +10V sawtooth goes to S1 via R7, while the 0 to +5V triangle goes via R9. The triangle output is also used to generate a pulse waveform using the comparator IC4A. Varying the comparator's reference with RV1 allows the pulse width to be varied from about 0% to almost 100% duty cycle. The output of the comparator ramps between about +/-13V, and the negative portion is removed (or limited to about -0V6) by diode D3. The pulse then goes to S1 via R15.
The waveforms are switched to a CEM 3360 Dual Voltage Controlled Amplifier (VCA). This 1C is of the current-in, current-out type and has both exponential and linear control inputs. Linear control has been chosen in this design since the user should find it easier to judge output level if this is linearly proportional to the input. The manual control input (RV7) may be bypassed, and a 0 to +10V external control voltage will adjust the gain over the full range.
A useful feature is that the CEM 3360 requires a few millivolts of control voltage, either from RV7 or externally, before the output level begins to increase. Thus the VCLFO may be left connected to a VCO or other sensitive module without fear of modulation breakthrough when the gain control is set to zero, and in fact it's this high level of performance that has resulted in the widespread use of the 3360 in synthesisers and other equipment.

The PCB component layout is shown in Figure 2, and is quite straightforward and unambiguous.
The main points to watch at this stage are the orientation of ICs, diodes, electrolytic capacitors C1 and C5 and the -5V regulator. One other point to observe is that the location for C8 and C9 have holes to accommodate other sizes of capacitors. Ensure that C8 and C9 are installed so that they bridge over the gap, ie. use the holes nearest to IC1.
This project was originally designed to be constructed on to a standard 9" by 3" rackmounting panel for incorporation into an existing modular synthesiser system. However, the PCB would be quite suitable for inclusion in an existing synthesiser, or it could be used as a stand-alone item for use with any positive going voltage-controllable device. In the latter cases a suitable +/-15V power supply will be required.

Quite a lot of wiring is required and the connections to the potentiometers, switches and jack sockets are shown in Figure 3. The lettering and so on shown in this diagram indicate that a wire must be taken from that point to the PCB having the same identification mark - refer to Figure 2 for the latter.
The jack sockets illustrated in Figure 3 are of the type supplied by Digisound Limited. The top connecting tab is the connection made when a jack plug is inserted, while the lower connection is broken on insertion of a plug. There is also a ground tab underneath the socket, and we recommend these are connected to the 0V line so that the module can be used with equipment which may be powered separately.
Moving on to the switches, ensure that a wire link is installed between pins 2 and 4 and keep to the orientation shown. Once assembly has been completed, check the wiring carefully as well as the component placement and orientation of the PCB. You should also examine the foil side of the PCB to check for solder splashes and bridges which may be snorting tracks together. Try to keep the underside of the PCB as clean as possible, especially around C16 and C17 since the capacitor charging and discharging currents are exceedingly low and will be affected by solder flux or any other extraneous matter. These will not affect the operation of the VCLFOs, but may well influence the lowest frequency attainable.
After careful checking (some of the parts are expensive!), the unit may be powered up and put into operation since there are no adjustments to make.
This unit is an extremely versatile design, and as such could be used to replace existing LFOs and control many synthesiser parameters.
In particular, LFOs are commonly used for a wide variety of modulation effects, and a dual VCLFO (as described here) is particularly suitable for the recently popularised technique of FM synthesis. Finally, the addition of synchronisation techniques allows extremely complex modulating waveforms to be generated.
The Dual VCLFO is available from Digisound Limited, (Contact Details), at a price of £34.50 inclusive of p&p and VAT. The kit includes all components detailed in the parts list and a PCB.
| Resistors (5% 1/4W carbon film) | |
| R1,2,3,13,14,17,18,21,22 | 100K |
| R4 | 10K |
| R5,6,7,8,39,40 | 47K |
| R9,10,35,36 | 22K |
| R11,12 | 4K7 |
| R15,16 | 68K |
| R19,20,31,32 | 56K |
| R23,24 | 360K |
| R25,26,37,38 | 1K0 |
| R27,28 | 10M0 |
| R29,30 | 470R |
| R33,34 | 82K |
Capacitors | |
| C1,5 | 10pF axial electrolytic |
| C2,3,4,6,7,11,12,13 | 100nF polyester |
| C8,9 | 100pF ceramic |
| C10 | 470nF polyester |
| C14,15 | 47pF ceramic |
| C16,17 | 100nF polycarbonate |
| C18,19 | 10nF polyester |
| C20 | 4n7 polyester |
Potentiometers, Switches | |
| RV1,2,3,4 | 47K lin. rotary |
| RV5,6,7,8 | 100K lin. rotary |
| S1,2 | 1p3W sub. min. toggle |
Semiconductors | |
| IC1 | TL092 |
| IC2 | CEM3374 |
| IC3 | 79L05 |
| IC4 | TL082 |
| IC5 | CEM3360 |
| IC6,7 | TL081 |
| D1,2,3,4 | IN4148 |
Modify Your "Phlanger" - for Lower Noise |
The Transpozer (Part 1) |
Build a Modular Vocoder |
Workbench - Sounding Out |
Amdek Hand Clapper Kit |
The Ins and Outs of Digital Design |
Using Microprocessors (Part 1) |
Amdek DMK-200 Delay Machine Kit |
Bionic Trumpet |
Technically Speaking (Part 1) |
Workbench - Modifying The Midiverb |
How to Calm Hysterics in Op-amps |
Browse by Topic:
Feature by Charles Blakey, Pete Blakey, Simon Bailey
Previous article in this issue:
Next article in this issue:
mu:zines is the result of thousands of hours of effort, and will require many thousands more going forward to reach our goals of getting all this content online.
If you value this resource, you can support this project - it really helps!
New issues that have been donated or scanned for us this month.
All donations and support are gratefully appreciated - thank you.
Do you have any of these magazine issues?
If so, and you can donate, lend or scan them to help complete our archive, please get in touch via the Contribute page - thanks!